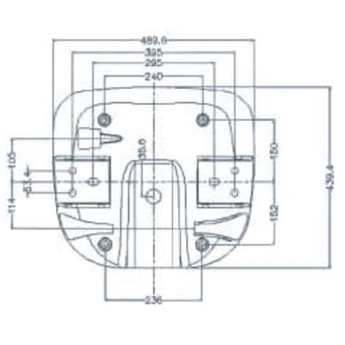
Plastic Seat Cover
Product Name :
YS7300
Fit with YP1393
Dimension :




