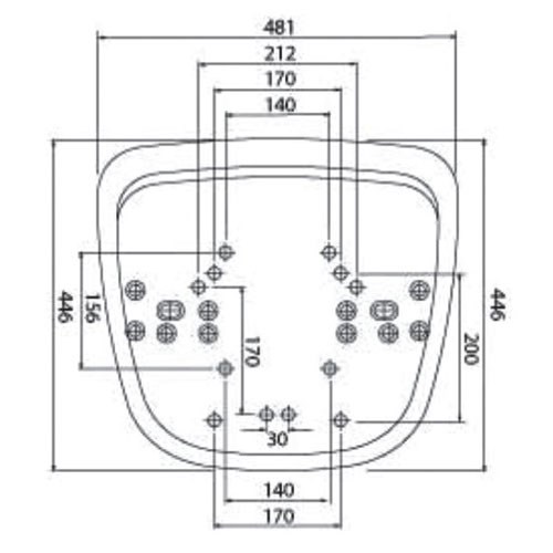
Plastic Seat Cover
Product Name :
YS7100
Fit with YP1371
Dimension :




