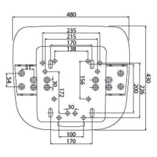
Plastic Seat Cover
Product Name :
YS7250
Fit with YP1373
Dimension :




